·上一文章:海爾KFR-28GWBPA空調器開/停頻繁,綠色運行指示燈熄滅,蜂鳴器報警
·下一文章:鼓式制動器的結構及工作原理是怎樣的?

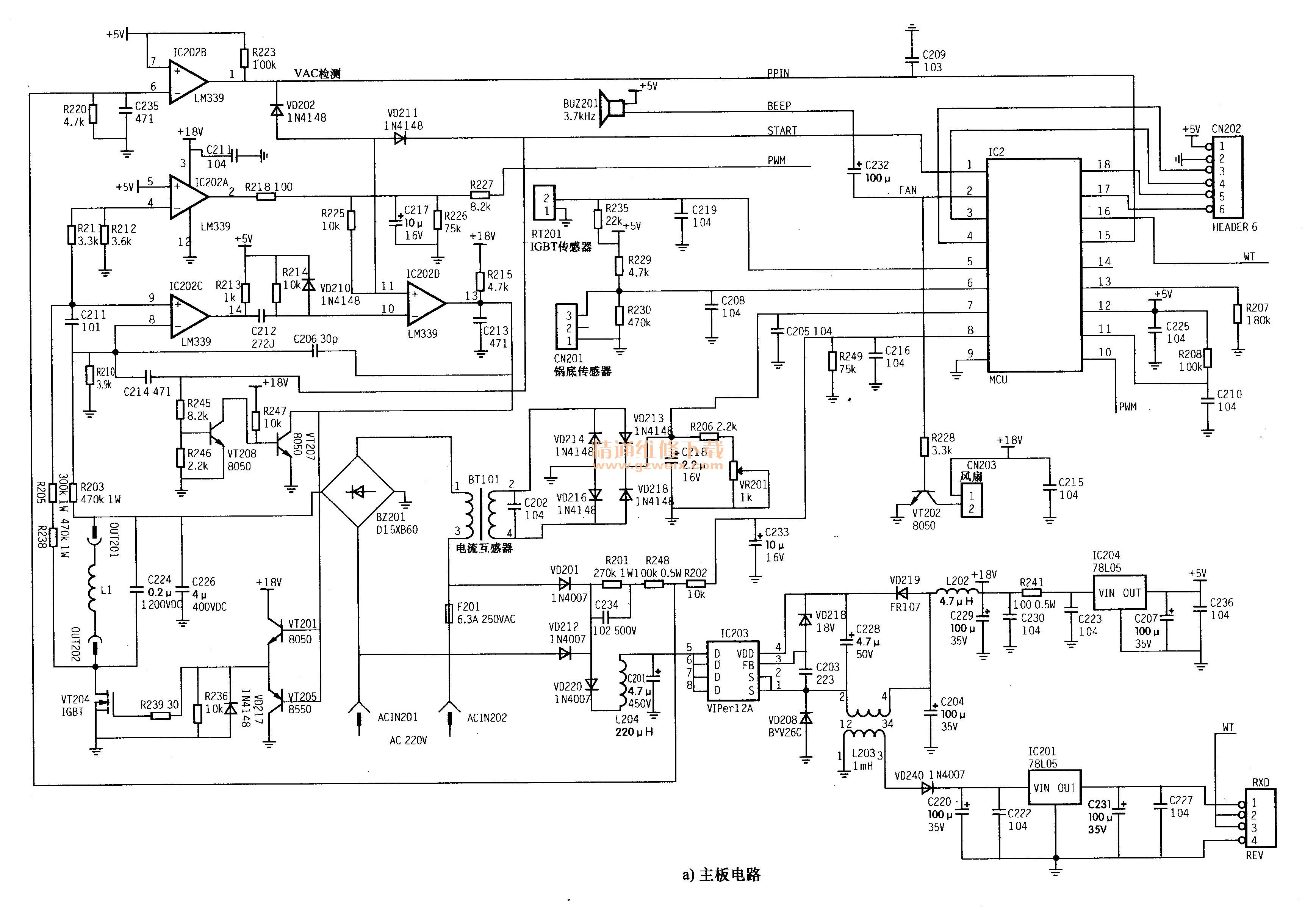
五十、TMP86C807N集成電路
1.簡介
TMP86C807 N型單片機采用28腳雙列直插扁平封裝結構。在華帝NF20B/NF26B型電磁爐應用中,承擔系統控制作用,具備上電自檢、待機控制、開機鍋具檢測、加熱溫度和功率控制,同時控制顯示屏指示燈指示相應的工作狀態(tài),故障檢測保護報警等功能。
2.典型應用電路
TMP86C807 N集成電路在華帝NF20B、NF26B型電磁爐上的應用電路如圖53所示。


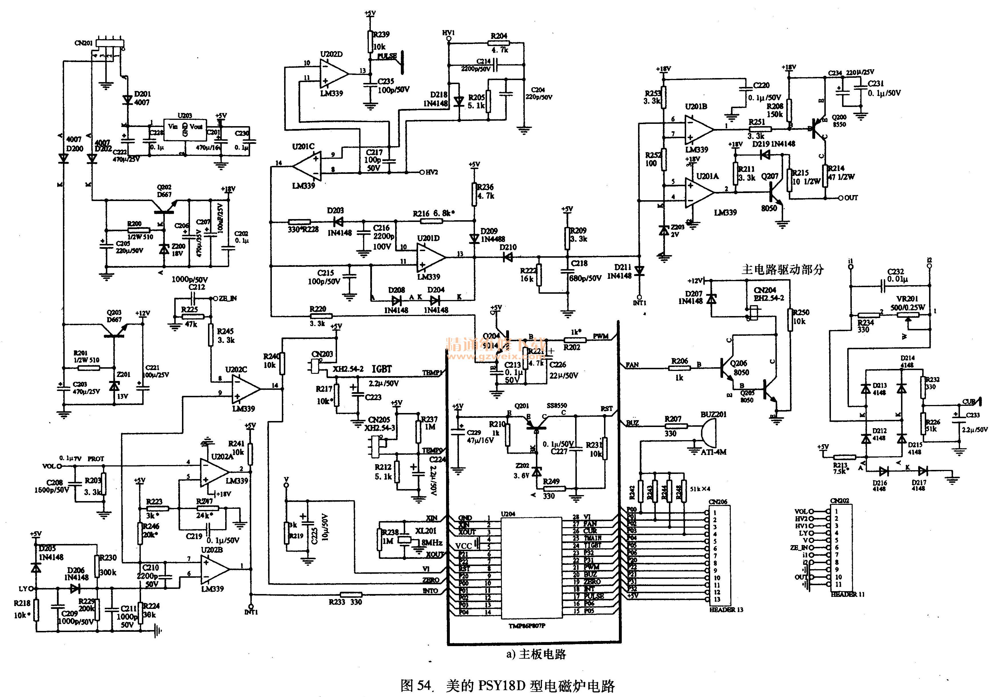
五十一、TMP86P807P集成電路
1.簡介
TMP86P807P為可編程序單片機,采用28腳雙列直插扁平封裝,具備上電自檢、待機控制、開機檢鍋、加熱溫度與功率控制、故障檢測、保護報警、直接驅動數碼屏顯示相應的工作狀態(tài)等功能。
2.引腳功能和維修數據
TMP86 P807 P集成電路的引腳功能和維修數據如表39所示。

3.典型應用電路
現以TMP86P807P集成電路在美的PSY18D型電磁爐上的應用為例加以說明,其典型應用電路如圖54所示。


上一頁 [1] [2] [3] [4] [5] [6] [7] [8] [9] [10] [11] [12] [13] [14] [15] [16] [17] [18] [19] [20] 下一頁